Устройство управления резервным питанием серии AVR.
Монтаж на DIN-рейку.
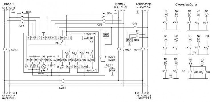
Предназначено для построения блоков АВР с двумя или тремя вводами питания (генераторной установкой), с секционными выключателями, с одной или двумя нагрузками.
Принцип работы.
Устройство управления AVR-02 контролирует напряжение на основном вводе трехфазной сети переменного тока. Если напряжение в пределах нормы, нагрузка подключается к вводу с помощью внешнего силового аппарата (контактора, автоматического выключателя с моторным приводом и т.п.), которым управляет исполнительное реле AVR-02. При аварии основного ввода нагрузка переключается на резервный. При восстановлении питания на основном вводе нагрузка переключается на него. Изделие имеет
входы контроля положения и входы контроля - аварийных контактов силового аппарата. По ним определяется его состояние, не допускается “встречное” включение вводов и подключение исправного ввода на аварийную линию питания нагрузки. Допустимые пределы напряжения и временные параметры переключения устанавливаются с лицевой панели AVR-02. Питание осуществляется от контролируемых вводов.
Особенности:
для работы в составе блоков: АВР 2.0; АВР 2.1; АВР 2.2; АВР 3.0; АВР 3.1;
контроль наличия фаз;
контроль минимального и максимального напряжения в фазах;
контроль чередования, слипания фаз;
контроль асимметрии фаз;
управление контакторами и моторными приводами;
контроль состояния контакторов (моторных приводов);
контроль срабатывания выключателей по сверхтоку;
формирование напряжения оперативного питания;
формирование сигнала запуска генератора;
формирование сигнала “Авария”;
ограничение доступа к настройкам вводом PIN-кода;
пуско-наладочный режим;
возможность работы от внешнего источника питания;
сохранение работоспособности в диапазоне напряжений от 24 до 450В;
использования в однофазных цепях.
Характеристики
Возможен контроль 3-фазного понижения напряжения | Да |
Род тока контролируемого напряжения | Переменный ток (AC) |
Глубина | 65 мм |
Номинальное напряжение питания цепи управления Us перемен. тока АС при 50 Гц с | 24 В |
Номинальное напряжение питания цепи управления Us перемен. тока АС при 50 Гц по | 450 В |
Количество нормально замкнутых (НЗ) контактов | 1 |
Количество нормально разомкнутых (НО) контактов | 4 |
Габариты | 0.098 × 0.024 × 0.02 м |
Высота | 90 мм |
Ширина | 105 мм |

















































