Характеристики
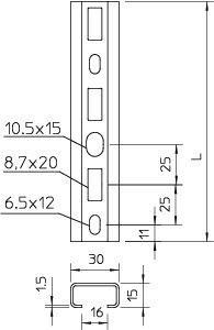
Толщина материала | 1.5 мм |
С зубьями | Нет |
Тип перфорации | Нет (без) |
Форма профиля | C-профиль |
Сопротивление на изгиб | .2392 cm4 |
Сопротивление на кручение | 1.2156 cm4 |
Отламывающиеся | Нет |
Исполнение | Простой профиль |
Защитное покрытие поверхности | Горячее цинкование |
Ширина слота, прорези, щели | 16 мм |
Габариты | 1 × 0.1 × 0.02 м |
Высота | 15 мм |
Длина | 1000 мм |
Ширина | 30 мм |
Последние поступления



















































