Реле времени серии "PO"
Монтаж на DIN-рейку.
Предназначено для поддержания работы устройства после размыкания управляющего контакта в течение установленного отрезка времени, при условии, что длительность управляющего сигнала больше задержки включения. Например, в вентиляционных системах, санузлах и т.п., выключателем включаем освещение вентилятор включится с задержкой, после выключения освещения вентилятор выключится через установленный отрезок времени.
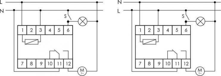
Принцип работы
В результате замыкания управляющего контакта S, на время, превышающее t , контакты реле 11,12 замыкаются. Размыкание управляющего контакта S вызывает отсчет установленного времени, по истечении которого работа реле прекращается.
Особенности:
вход управления;
напряжение питания 230 В AC;
задержка включения 0/1...5 мин ;
задержка отключения 1...15 мин ;
контакт - 1NO/NC (16 А).
Характеристики
Функция задержки при включении | Нет |
Функция звезда/треугольник | Нет |
Диапазон времени с | 60 с |
Диапазон времени по | 900 с |
Функция задержки при отключении | Да |
Количество выходов с задержкой, переключающий контакт | 1 |
Глубина | 65 мм |
Возможно дистанционное управление | Нет |
Номинальное напряжение питания цепи управления Us перемен. тока АС при 50 Гц с | 230 В |
Номинальное напряжение питания цепи управления Us перемен. тока АС при 50 Гц по | 250 В |
Род тока включения | Переменный ток (AC) |
Габариты | 0.1 × 0.07 × 0.02 м |
Высота | 90 мм |
Ширина | 18 мм |

















































