Реле времени серии "PO"
Монтаж на плоскость.
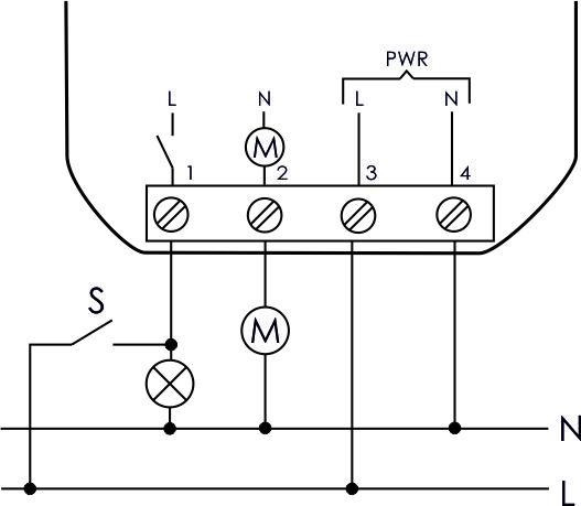
Предназначено для поддержания работы устройства после размыкания управляющего контакта в течение установленного отрезка времени. Например, выключателем включаем освещение - вентилятор включится, после выключения освещения вентилятор выключится через установленный отрезок времени.
Принцип работы
В результате замыкания управляющего контакта S контакты реле замыкаются. Размыкание управляющего контакта S вызывает отсчет установленного времени, по истечении которого работа реле прекращается.
Особенности:
вход управления;
напряжение питания 230 В AC;
задержка отключения 1...15 мин ;
контакт - 1NO (8 А).
Характеристики
Функция задержки при включении | Нет |
Функция звезда/треугольник | Нет |
Диапазон времени с | 60 с |
Диапазон времени по | 900 с |
Функция задержки при отключении | Да |
Количество выходов с задержкой, переключающий контакт | 1 |
Глубина | 65 мм |
Возможно дистанционное управление | Нет |
Номинальное напряжение питания цепи управления Us перемен. тока АС при 50 Гц с | 230 В |
Номинальное напряжение питания цепи управления Us перемен. тока АС при 50 Гц по | 250 В |
Род тока включения | Переменный ток (AC) |
Габариты | 0.085 × 0.075 × 0.043 м |
Высота | 90 мм |
Ширина | 18 мм |



















































