Реле напряжения серии "CP"
Монтаж на DIN-рейку.
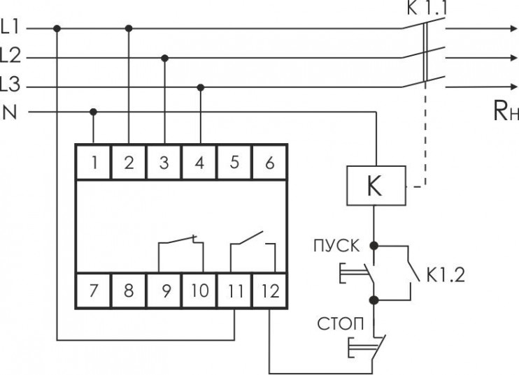
Предназначено для непрерывного контроля величины напряжения в трехфазной сети переменного тока и защиты электроустановок, электроприборов и прочего электронного оборудования от повышенного или пониженного напряжения, от обрыва нулевого провода.
Защита осуществляется путем отключения нагрузки от сети питания.
Верхний и нижний пределы напряжения устанавливает потребитель с помощью потенциометров на панели управления. Реле измеряет напряжение в сети и при выходе напряжения за установленные пределы или обрыве нулевого провода реле отключает защищаемое оборудование. После восстановления сетевого напряжения реле включается автоматически.
Особенности реле напряжения CP-731:
трехфазное;
контроль асимметрии напряжения;
контроль слипания фаз;
контроль чередования фаз;
напряжение питания - 3х(150...450)+N В AC;
максимальный ток нагрузки - 2х8 А;
контакты - 1NO, 1NC;
нижний порог напряжений - 150...210
верхний порог напряжений - 230...190
Характеристики
Возможен контроль 1-фазного понижения напряжения | Нет |
Возможен контроль 3-фазного понижения напряжения | Да |
Род тока контролируемого напряжения | Переменный ток (AC) |
Диапазон измерения напряжения 1 с | 150 В |
Диапазон измерения напряжения 1 по | 210 В |
Диапазон измерения напряжения 2 с | 230 В |
Диапазон измерения напряжения 2 по | 260 В |
Глубина | 65 мм |
С съемными клеммами, зажимами | Нет |
Минимальное регулируемое время задержки срабатывания без выдержки | .1 с |
Род тока включения | Переменный ток (AC) |
Количество нормально замкнутых (НЗ) контактов | 1 |
Количество нормально разомкнутых (НО) контактов | 1 |
Габариты | 0.105 × 0.063 × 0.066 м |
Высота | 90 мм |
Ширина | 52.5 мм |

















































