Реле контроля фаз серии "CKF"
Монтаж на DIN-рейку.
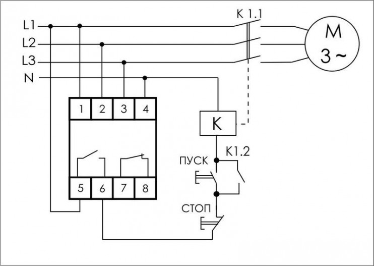
Предназначено для защиты электродвигателей и электроустановок, питаемых от трехфазной сети в случаях: отсутствия хотя бы одной из фаз, асимметрии напряжения, снижения напряжения менее 160 В, повышения напряжения более 260 В, нарушения чередования фаз, обрыва нулевого провода.
Принцип работы
Если напряжение в пределах нормы, контакты исполнительного реле замкнуты и на контактор управления электродвигателем подается напряжение, управляющее его включением. В случае одной из вышеперечисленных аварийных ситуаций контакты реле размыкаются и контактор отключается. Включение происходит автоматически после восстановления сетевого напряжения питания.
Особенности:
контроль наличия фаз;
контроль асимметрии между фазами;
контроль нижнего значения напряжения;
контроль верхнего значения напряжения;
контроль чередования фаз;
защита от обрыва нулевого провода;
напряжение питания 3x230+N В AC;
контакт - 1NO, 1NC (2x8 А).
Характеристики
Функция контроля порядка чередования фаз | Да |
Функция обнаружения обрыва фазы | Да |
Функция обнаружения пониженного напряжения | Да |
Функция обнаружения перенапряжения | Да |
Функция обнаружения асимметрии фаз | Да |
Максимально допустимое время задержки | 15 с |
Минимальное регулируемое время задержки | .5 с |
Глубина | 65 мм |
Количество нормально замкнутых (НЗ) контактов | 1 |
Количество нормально разомкнутых (НО) контактов | 1 |
Габариты | 0.095 × 0.04 × 0.075 м |
Высота | 90 мм |
Ширина | 35 мм |

















































