Реле импульсное бистабильное серии "BIS"
В монтажную коробку.
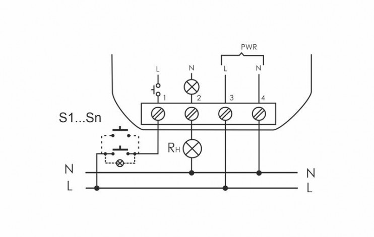
Предназначено для включения/выключения освещения, электроустановок и т.п. из нескольких мест выключателями кнопочного типа, параллельно соединенными между собой.
Принцип работы
Включение, либо выключение нагрузки осуществляется подачей электрического импульса на вход управления реле замыканием любого из выключателей кнопочного типа, параллельно соединенных между собой.
Особенности:
память контактов;
возможно подключение выключателей кнопочного типа с подсветкой;
максимальный ток нагрузки 8 А.
Характеристики
Возможность ручного управления | Да |
Способ монтажа | Скрытой установки |
Максимальная мощность лампы | 1000 Вт |
Количество нормально открытых контактов (НО) | 1 |
Род тока питающего напряжения | Переменный ток (AC) |
Напряжение питания с | 230 В |
Напряжение питания по | 230 В |
Максимальная нагрузка люминесцентными лампами | 500 В.А |
Номинальный коммутируемый ток | 8 А |
Габариты | 0.075 × 0.048 × 0.077 м |
Назначение | Электронное для коммутации |



















































