Профиль монтаж. CPS 50х30х6000 гор. оцинк. CPS 5 L 6M FT (дл.6м) OBO 1121472 предназначен для монтирования проводки в электрической сети. Используется данное приспособление в помещениях различного предназначения – квартирах, домах, офисах, коттеджах, детских садах, школах, больницах, производственных зданиях и т.д.
Особенности
• Данное изделие производится по с-образному типу, что предоставляет дополнительные удобства в процессе монтирования.
• Профиль монтажный производится из оцинкованной стали, что гарантирует ему защиту от разнообразных воздействий окружающей среды негативного характера, а также высокую антикоррозийную стойкость.
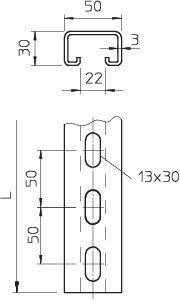
• Этот агрегат имеет маленькие размеры (30х600х50 миллиметров), что разрешает производить его монтирование в самых труднодоступных местах помещения.
• Производство этого агрегата осуществляется в соответствии с требованиями техники безопасности, что делает невозможным выход электрического тока за пределы профиля.
• Благодаря наличию горячей оцинковки это приспособление имеет очень высокую стойкость к коррозии и многим другим воздействиям окружающей среды негативного характера.
• Монтировать профиль монтажный можно в произвольном положении, что предоставляет дополнительные удобства при ее использовании.
Характеристики
Толщина материала | 3 мм |
С зубьями | Нет |
Тип перфорации | Перфорированный с задней стороны |
Форма профиля | C-профиль |
Сопротивление на изгиб | 3.9943 cm4 |
Сопротивление на кручение | 13.1098 cm4 |
Отламывающиеся | Нет |
Исполнение | Простой профиль |
Защитное покрытие поверхности | Горячее цинкование |
Ширина слота, прорези, щели | 22 мм |
Габариты | 6 × 0.05 × 0.03 м |
Высота | 30 мм |
Длина | 6000 мм |
Ширина | 50 мм |



















































